hotline: 0966383262
CÔNG TY TNHH FATI VIỆT NAM - Kính chào quý khách!
vong bi SKF 305805 C-2Z
vong bi SKF 305805 C-2Z
vong bi SKF 305805 C-2Z
vong bi SKF 305805 C-2Z

vong bi SKF 305805 C-2Z

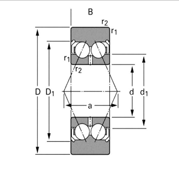
Kích thước (mm): 62 x 25 x 20.6
Chủng loại: Con lăn cam
Tải trọng động (kN): 19.9
Hãng sx: SKF - chính hãng

Liên hệ

Thương hiệu: SKF - Thụy Điển

THAM SỐ KỸ THUẬT CỦA CON LĂN CAM

 

Thương hiệu sản phẩm

Sale

Không sẵn có

Hết hàng