hotline: 0966383262
CÔNG TY TNHH FATI VIỆT NAM - Kính chào quý khách!
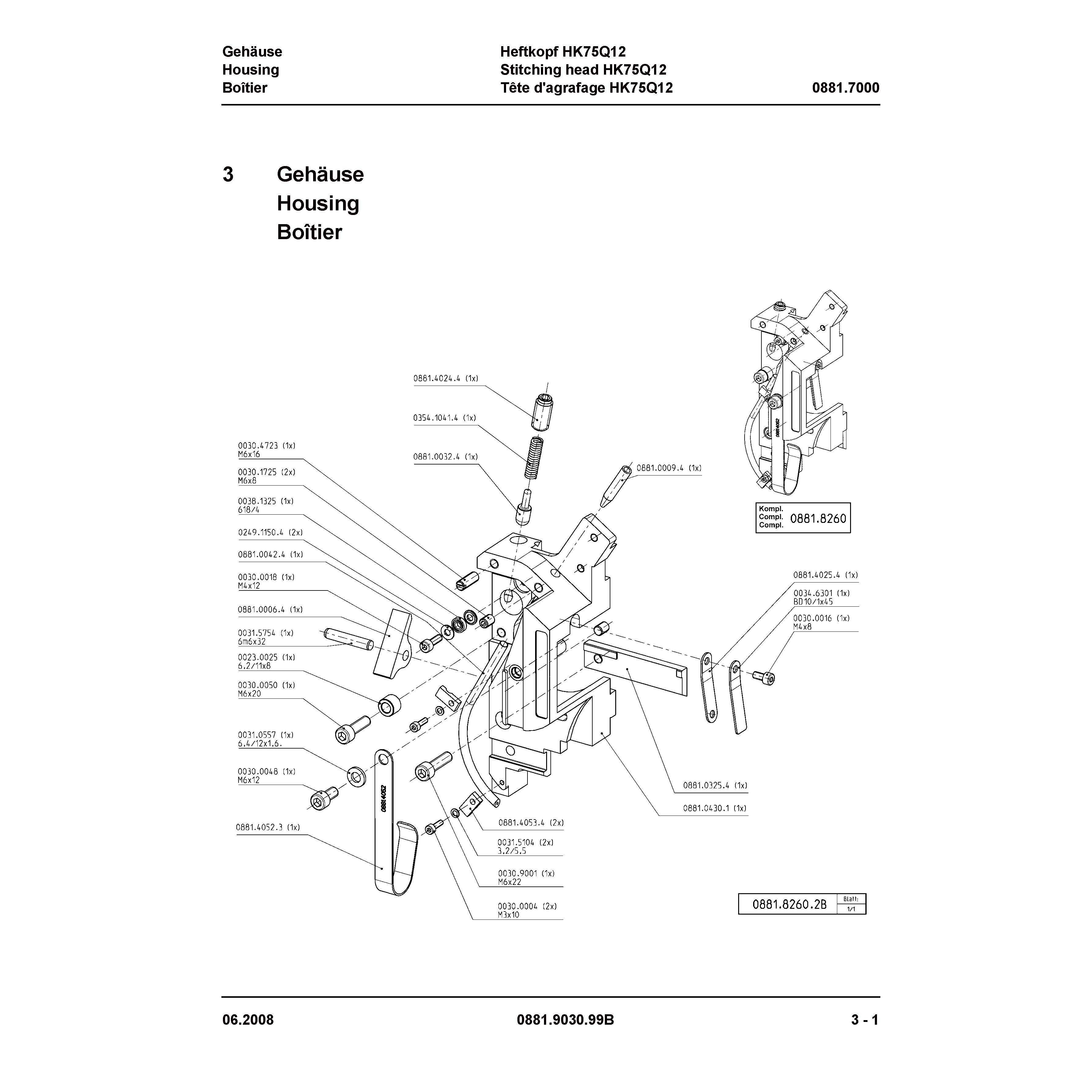
Housing 0881.8260
Housing 0881.8260
Housing 0881.8260
Housing 0881.8260

Housing 0881.8260

Tên SP: Housing 0881.8260
mã SP: 0881.8260 (.2B)
Ứng dụng: Đầu ghim HK75
Hãng SX: Martini - Đức

Liên hệ

Thương hiệu: Martinni - Đức
Tags: Housing 0881.8260

Thương hiệu sản phẩm

Sale

Không sẵn có

Hết hàng