hotline: 0966383262
CÔNG TY TNHH FATI VIỆT NAM - Kính chào quý khách!
Công tắc hành trình Omron Z-15EW22
Công tắc hành trình Omron Z-15EW22
Công tắc hành trình Omron Z-15EW22
Công tắc hành trình Omron Z-15EW22
Công tắc hành trình Omron Z-15EW22
Công tắc hành trình Omron Z-15EW22

Công tắc hành trình Omron Z-15EW22

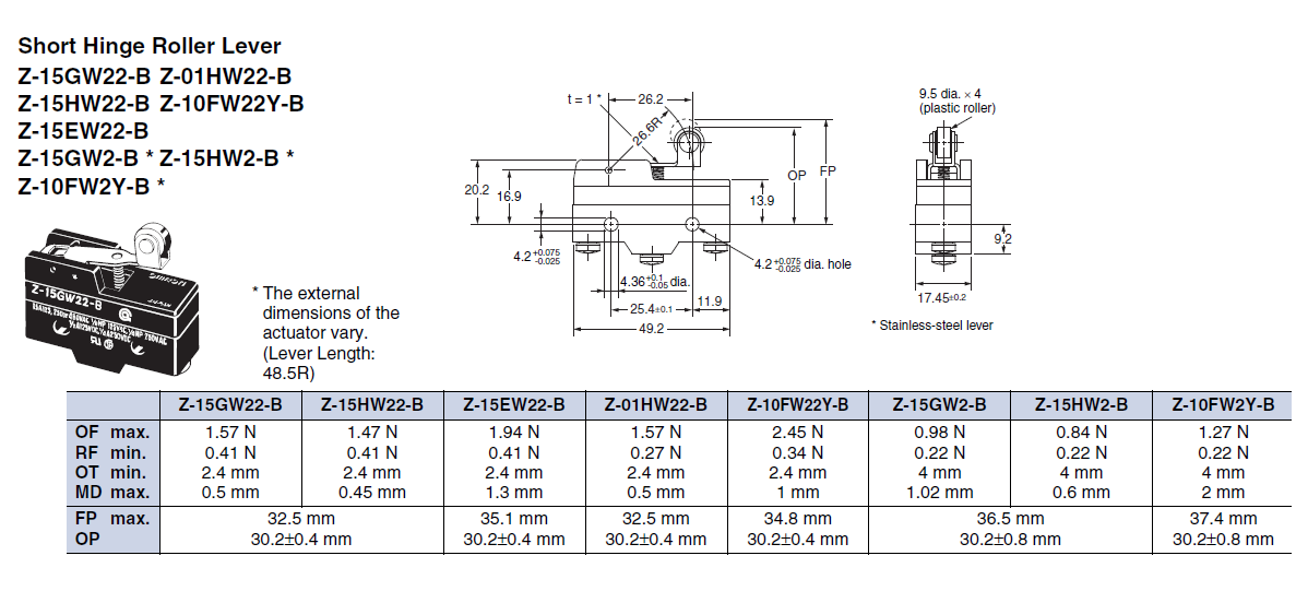
Tên SP: Công tắc hành trình

Mã SP: Z-15EW22

Chủng loại: Short Hinge Roller Lever

Tiếp điểm: SPDT, chân cắm dẹt

Dòng điện định mức:15A

Dòng điện KĐ: NC-30A; NO-15A

Catalogue Công tắc Z-15 Omron

Liên hệ

Thương hiệu: Omron - Japan

Catalogue Công tắc Z-15 (Korance)        Catalogue Công tắc Z-15 (Chiness)     Catalogue Công tắc Z-15 (Japaness) 

A. THAM SỐ KỸ THUẬT

+ Công tắc hành trình loại thông dụng, phổ biến 1 tiếp điểm 2 trạng thái NO/NC - SPDT.

+ Chính xác, nhiều kiểu dáng tác động, cho các ứng dụng khác nhau.

+ Khả năng chụi tải tiếp điểm cao 15A, với độ chính xác lập lại cao.

+ Chịu đựng tần số hoạt động cao 120 lần/phút (tác động cơ)

+ Tốc độ tác động 1 mm/s ~ 1 m/s, kiểu đấu nối kiểu terminal

+ Kiểu dáng lắp đặt đơn giản, giảm thời gian bảo trì, thay thế.

+ Loại tiếp điểm: NO/NC-SPDT. Cơ cấu vận hành thuộc loại tác động nhanh.

+ Dòng điện định mức: 15 A, điện áp định mức: 480 VAC, dòng điện khởi động: NC: 30 A, NO: 15 A

+ Cơ cấu tác động: Panel mount roller plunger (12.7 * 4.8 dia., chống gỉ)

+ Tần số hoạt động: Cơ: 240 lần/phút; Điện: 20 lần/phút

+ Tuổi thọ: Cơ học: 10.000.000 lần, Điện: 500,000 lần.

+ Lực hồi về: 1.12 N Min, lực tác động: 1.96 to 2.79 N

+ Mức bảo vệ: IEC60529 (JEM): IP00, điện trở cách điện: 100 MΩ min. (ở 500 VDC)

+ Nhiệt độ hoạt động: -25°C to 80°C

+ Đạt tiêu chuẩn EC/IEC, UL và CCC, có dấu CE

+ Trọng lượng: 22~61g tùy loại

+ Hãng sx: Omron - Nhật, nguồn gốc chính hãng, bảo hành: 01 năm hoặc theo tác động tuổi thọ.

B. HƯỚNG DẪN ĐẶT HÀNG

 

 

 

Thương hiệu sản phẩm

Sale

Không sẵn có

Hết hàng