Catalogue Công tắc Z-15 (Korance) Catalogue Công tắc Z-15 (Chiness) Catalogue Công tắc Z-15 (Japaness)
A. THAM SỐ KỸ THUẬT
+ Công tắc hành trình loại thông dụng, phổ biến 1 tiếp điểm 2 trạng thái NO/NC - SPDT.
+ Chính xác, nhiều kiểu dáng tác động, cho các ứng dụng khác nhau.
+ Khả năng chụi tải tiếp điểm cao 15A, với độ chính xác lập lại cao.
+ Chịu đựng tần số hoạt động cao 120 lần/phút (tác động cơ)
+ Tốc độ tác động 1 mm/s ~ 1 m/s, kiểu đấu nối kiểu terminal
+ Kiểu dáng lắp đặt đơn giản, giảm thời gian bảo trì, thay thế.
+ Loại tiếp điểm: NO/NC-SPDT. Cơ cấu vận hành thuộc loại tác động nhanh.
+ Dòng điện định mức: 15 A, điện áp định mức: 480 VAC, dòng điện khởi động: NC: 30 A, NO: 15 A
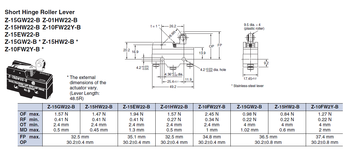
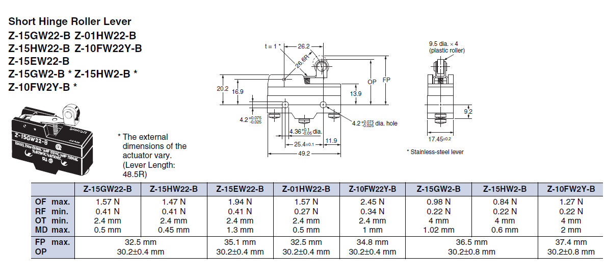
+ Cơ cấu tác động: Panel mount roller plunger (12.7 * 4.8 dia., chống gỉ)
+ Tần số hoạt động: Cơ: 240 lần/phút; Điện: 20 lần/phút
+ Tuổi thọ: Cơ học: 10.000.000 lần, Điện: 500,000 lần.
+ Lực hồi về: 1.12 N Min, lực tác động: 1.96 to 2.79 N
+ Mức bảo vệ: IEC60529 (JEM): IP00, điện trở cách điện: 100 MΩ min. (ở 500 VDC)
+ Nhiệt độ hoạt động: -25°C to 80°C
+ Đạt tiêu chuẩn EC/IEC, UL và CCC, có dấu CE
+ Trọng lượng: 22~61g tùy loại
+ Hãng sx: Omron - Nhật, nguồn gốc chính hãng, bảo hành: 01 năm hoặc theo tác động tuổi thọ.
B. HƯỚNG DẪN ĐẶT HÀNG





