Catalogue Công tắc D4MC (Tiếng Anh) Catalogue Công tắc D4MC (Tiếng Nhật) Catalogue Công tắc D4MC (Tiếng Trung)
----------------------------------------------------------------------------------------------------------------------------------
Công tắc hành trình Omron dòng D4MC với thiết thế dạng nằm lắp đặt dễ dàng hoàn hảo.
Độ kín tốt, chống bụi, chống nước cực tốt, đạt tiêu chuẩn IP67 về độ chống nước.
Tải định mức: 10A. AC250V. Tốc độ tác động 0.05mm/s ~ 0.5m/s
Độ bền: Độ bền cơ học 10.000.000 lần, độ bền điện 500.000 lần
Tần suất tác động: cơ học 120 lần/ phút, điện 20 lần/ phút
Lực vận hành: 2.94N, lực nhả khớp: 0.39N siêu nhỏ của Công tắc hành trình Omron dòng D4MC
Vùng quá tầm 2mm, khoảng cách vị trí tác động 1.5mm, vị trí ban đầu 47mm
Điện trở cách điện: 100MΩ, điện trở tiếp xúc 5m trở xuống.
Chịu chấn động: 10~55Hz, chịu xung kích phá hủy 1,000 m/s2 trở lên,
Chịu môi trường làm việc khắc nghiệt: −10~+80°C, độ ẩm môi trường 35~95%RH
Tiêu chuẩn: UL, UL508, CSA, CCC (CQC) được tích hợp trong Công tắc hành trình Omron dòng D4MC
Trọng lượng: khoảng 71g

D4MC-5020-N , D4MC-5040-N, D4MC-5000, D4MC-5020, D4MC-5040, D4MC-1000, D4MC-1020, D4MC-2000, D4MC-2020, D4MC-3030. Limit switch omron D4MC, 欧姆龙 D4MC, công tắc omron D4MC.
Công tắc hành trình D4MC-5020-N
Công tắc hành trình D4MC-5040-N
Công tắc hành trình D4MC-5000
Công tắc hành trình D4MC-5020
Công tắc hành trình D4MC-5040
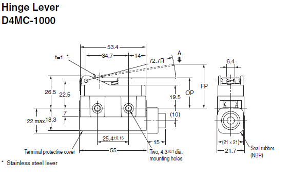
Công tắc hành trình D4MC-1000
Công tắc hành trình D4MC-1020
Công tắc hành trình D4MC-2000
Công tắc hành trình D4MC-2020
Công tắc hành trình D4MC-3030